• <strong id="6akkg"></strong>
    <ul id="6akkg"></ul>
    <ul id="6akkg"></ul>
    <samp id="6akkg"><tbody id="6akkg"></tbody></samp>
    <samp id="6akkg"></samp><samp id="6akkg"></samp>
    熱搜關鍵詞:力傳感器、顯示控制儀表、便攜式測力儀器
    您當前的位置: 首頁 > 產品中心 > 扭矩傳感器 > 旋轉式扭矩傳感器 > LH-81 動態(tài)扭矩傳感器
    LH-81 動態(tài)扭矩傳感器
    量程范圍從 0.05至5 N.m,精度高,穩(wěn)定性強,用于測量旋轉軸上的快速變化扭矩。結構緊湊,安裝方便,廣泛用于測試電機和旋轉部件。
    產品特點
    最高轉速不超過2000轉/分鐘,應用領域:汽車壓裝、自動化組裝、3C產品測試、新能源產品組裝、醫(yī)療檢測、機器人領域、模具組裝及其他工業(yè)測試、測量及控制系統。
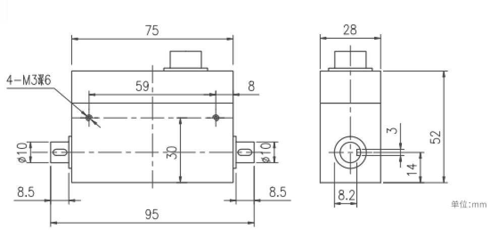
    結構圖紙
    性能參數
    額定量程0.05,0.1,0.2,0.3,0.5,1,2,3,5 N.m 絕緣電阻≥2000 MΩ / 100VDC
    靈敏度1.0~1.5 mV/V激勵電壓±12V
    零點平衡± 1% F.S.最大激勵電壓20V
    非線性0.1~0.3% F.S.溫度補償范圍-10~60℃
    滯后誤差0.05% F.S.工作溫度范圍-30~60℃
    重復性0.05% F.S.安全負載 (E L)120% F.S.
    蠕變(30分鐘)0.2% F.S.破壞負載 (E d)150% F.S.
    溫度對靈敏度漂移0.05% F.S./ 10℃電纜線尺寸φ5.2*3000m
    溫度對零點漂移0.05% F.S./ 10℃材料合金鋼或不銹鋼
    輸入電阻750±10 Ω單件重量
    輸出電阻700±10 Ω保護等級IP66


    選型表

    型號

    對應量程

    LH-81-0.05Nm

     0-0.05Nm 

    LH-81-0.1Nm

    0-0.1Nm

    LH-81-0.2Nm

    0-0.2Nm

    LH-81-0.3Nm

    0-0.3Nm

    LH-81-0.5Nm

    0-0.5Nm

                                                                  LH-81-1Nm                                                                0-1Nm
                                                                  LH-81-2Nm
                                                                    0-2Nm
                                                                  LH-81-3Nm                                                                0-3Nm
                                                                  LH-81-5Nm                                                                0-5Nm



    支持非標定制

    提供專業(yè)服務

    聯系方式

    滬ICP備14018550號-1   滬公網安備31011402005022號  
    上海力恒傳感技術有限公司版權所有

  • <strong id="6akkg"></strong>
    <ul id="6akkg"></ul>
    <ul id="6akkg"></ul>
    <samp id="6akkg"><tbody id="6akkg"></tbody></samp>
    <samp id="6akkg"></samp><samp id="6akkg"></samp>